2024-07-23
9
作者:小编
铜山科技公司的 USB 矢量网络分析仪

什么是矢量网络分析仪(VNA)?
USB 矢量网络分析仪产生的射频激励信号范围为 9 kHz至 330 GHz 。
该信号可应用于被 测设备(DUT),而 DUT 的输出可应用于第二端口进行分析。
此外,还可以分析从 DUT 输入返回源端口的任何反射。这是该设备与其他测试设备的
不同之处—— 它能够分离传输线路上两个不同方向的信号并进行测量。
矢量网络分析仪是做什么的,矢量网络分析仪是如何工作的?
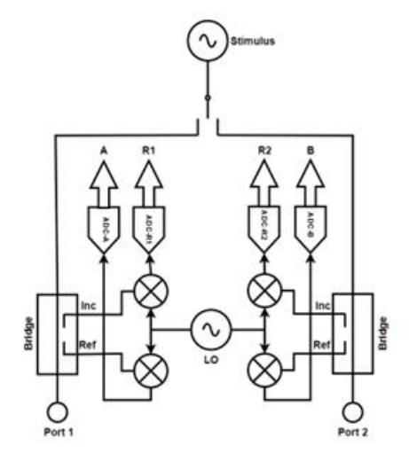
图 1 显示了 USB 矢量网络分析仪的简化框图。所示的端口 1 和端口 2 电桥是分离正向
和反向传播的 射频波的组件。接收器 R1 和 R2 只通过从端口 1 或 2 发出的波的样本。
接收器 A 和 B 仅通过进入端 口 1 或 2的波的样本。请注意,任何时候都只有三个接收
器处于活动状态。当刺激切换到端口 1 时, 接收器 R1 处于活动状态,当其切换到端口 2 时,
接收器 R2 处于活动状态。
当激励信号被切换到端口1 时,反射接收器A 和B 上的信号的幅度和相位被归一化为激励接收器R1。
这样,刺激的绝对输出功率就无关紧要了。类似地,当激励被切换到端口 2 时,测量值 A 和
B 被归 一化为接收器 R2。
线性 DUT 的性能可以在任何源和负载阻抗下预测,只要知道两端的发射和反射信号(S 参数)。

图 1–驱动端口 1 反射的 VNA 框图
矢量网络分析仪的工作原理是什么?
对于全 2 端口测量,刺激在端口 1 和 2 之间来回切换。在端口 1 时,
测量接收器 A 、R1 和 B 。值 A/R1 将是原始的 S11B/R1 将是原始的 21 。
然后刺激切换到端口 2 ,在这里测量 B 、R2 和 A 。R2 将会是生的 22R2 将
是原始的 12。在每个方向上进行三次接收器测量后,在FPGA中进行归一化。在FPGA内,
使用 DSP 进行中频带宽滤波,然后对数据进行大幅抽取。
现在低数据速率抽取的原始数据S11,S12,S21、和S22 通过USB连接发送到运行在
主机上的铜山科技(CMT)矢量网络分析仪软件,以便进行校准,并以所需格式显示结果。
矢量网络分析仪的用途是什么?
USB 矢量网络分析仪可用于各种应用。例如,VNA 可以用来评估射频系统中使用的放大器。
RF 放大器的特性包括增益、回波损耗、P1dB、输出匹配和稳定性。在系统中设计放大器时,
验证这些特性非常重要。
VNA 也可以用来评估 RF 滤波器的特性。滤波器是大多数射频系统的重要组成部分。
设计用于在设定带宽内工作的接收机,其前端总会有一个滤波器来限制这些频率的输入。如果
信号被向上或向下混频至另一频率,混频器之前需要一个滤波器,以防止镜像频率处的模糊混频。
VNA可以测量滤波器的通带插入损耗 21,以及输入端的回波损耗 S11。它还可以测量阻带,
CMT的vna具有出色的动态范围,因此可以在一次测量中同时测量通带和深阻带,如图2所示。
天线可以用VNA来评估。如果频率在其工作带宽内,天线应该将其馈线上的信号转换为辐射的RF
能量。反射测量足以评估天线的适用性和健康状况。如果存在高反射,那么显然辐射的能量很少。
相反,如果天线的反射很低,则可以认为能量被辐射出去了。回波损耗11)或VSWR是常用的测量
参数。

图 2 –滤波器测量

图 3 –聚焦光束材料测量系统从指南针技术集团
电缆和波导可以用VNA测量。在射频电缆生产中使用VNA非常普遍。单口Copper Mountain
Technologies 的手持式和便携式虚拟网络分析仪可方便地用于验证生产机器上的电缆性能是否正
常。可以使用时域模式来评估天线的电缆馈线,以验证距离上的特性阻抗,从而检查损坏或湿气侵入。
波导传输线可以用合适的同轴到波导适配器来测量。例如,从雷达到军舰上发射天线的长波导可以使
用时域特性进行评估,就像电缆馈线一样。可以快速找到凹痕、丁字或生锈的波导管截面螺栓。
材料的介电特性可以用VNA测量。毫米波VNAs可用于进行材料测量。如图3所示,将待测量的一片
材料固定在连接到VNA的两个天线之间的框架中。两个透镜聚焦光束,将圆形波前转换成平面波。
可以用这种方法测量板材的介电特性。这对于评估用于天线罩的材料可能很重要。
材料的复介电常数可以通过空中 S 参数测量来计算。
矢量网络分析仪与频谱分析仪
那么VNA和频谱分析仪有什么区别呢?USB矢量网络分析仪(VNA)与频谱分析仪(SA)非常不同。
前者用于测量被测设备(DUT)的传输和反射特性,后者适用于测量施加于其输入端的频率幅度。
示波器可能显示多个输入信号的时域响应,而SA显示信号的傅立叶变换,显示每个频率分量的不同幅度。
图4和图5显示了示波器和频谱分析仪对两个信号的测量,一个信号的频率为130MHz,另一个
信号的频率为220 MHz。
频谱分析仪的用途很清楚。它清楚地分别显示了两个频率分量的幅度,而示波器测量的频率内容很难解释。
SA和VNA 的框图有很大的不同。典型的SA框图如图6所示。需要双转换(双外差)来确保混频器镜像
不成问题。
此外,本振(LO)源,尤其是下面框图中的第一个源,必须没有杂散信号,高阶交调产
物(IMs)现在必须出现在15GHz IF 中。如果IMs不可避免,则必须接入一条额外的IF路径,LO 失
调也会相应改变。换句话说,可以接入 15.15 GHz 中频滤波器,而不是 15 GHz滤波器,
对于 该中频路径,第一个 LO 将上移 200 MHz,并且仅适用于第一个中频频率中存在
不可避免的杂散的频率。

图 4 –130 和 220 MHz信号的示波器测量

图 5 –130 和 220 MHz信号的频谱分析仪测量
因此,SA 被视为宽带跟踪接收机,显示由 DSP 部分 FIR 滤波确定的 IF 带
宽内各频率的现有 RF 功率量。

图 6 –频谱分析仪框图
一些频谱分析仪带有跟踪发生器。发生器和跟踪接收器一起扫描。将发生器连接到 DUT
的输入,输出连接到 SA 输入,您可以测量 DUT 的频率响应。该功能类似于 VNA,
但USB 矢量网络分析仪更加精确,并且包含相位信息。
频谱分析仪设计与 VNA 相比如何?
VNA 的射频架构简单得多。刺激信号(从起始频率步进到终止频率)传递到 DUT,然后跟踪接收器测
量通过并反射回来的信号。接收器只对产生的激励频率的信号敏感,并且只在测量的中频带宽内。
典型的 VNA 框图如图 7 所示。激励信号被路由到端口 1 或端口 2,并通过每侧的定向桥。
电桥能 够按传输方向分离信号,因此电桥的两个输出端口是离开端口的信号数量和进入端口的信号
数量的样本。每个电桥的每个端口上的混频器将高激励频率降低到低得多的 IF 频率,通常低于
20 MHz。
恒定频率中频经过数字化处理,低延迟 DSP 滤波器用于施加中频带宽(IFBW)。
只进行一次转换,而不是像频谱分析仪那样进行两次转换。
这样的框图容易受到混频器镜像模糊的影响。
例如,如果 LO 高于激励 10 MHz 以产生 10 MHz if,
则所需响应由LO以下10MHz 的信号引起,但高于10MHz 的信号也会产生完全相同的IF信号。
然而,这不是 VNA 的运作方式。
只有一个信号 — —激励,它完全由 USB 矢量网络分析仪控制,频率始终处于
LO -IF。正常 VNA 测量不会出现镜像问题,因此单次转换(零差)架构是可以接受的。
VNA 中的接收器也像 s a 一样跟踪接收器,您可以将 VNA 用作基本的 SA,方法是
关闭激励信号,并观察其中一个接收器(A 或 B)测量的信号功率,这两个接收器分别响应进入
VNA 端口 1 或 2 的信号。

图 7 –典型的 VNA 框图

图 7 –典型的 VNA 框图

图 9 –1 kHz DSP 中频带宽滤波器

图 10 –1 kHz IFBW 和 100 kHz跨度信号的实际 SA 测量
施加于 USB 矢量网络分析仪的单个信号将显示两种响应,一种是实际频率,另一种是镜像频率,
或者是中频频率的两倍。LO也可能有一些小的杂散信号。VNA LO不需要像SA 中使用的那样原始,
因为 VNA 通常只测量自己的刺激频率。
图 8 显示了 VNA 的 A 接收器正在测量的接近 2.3 GHz 的信号。VNA 刺激源已经关闭,
并且绝对 A 接收器测量已经被选择为具有大约 2.3 GHz 的 100 kHz跨度。在 DSP 中实
现的低延迟 VNA中频带宽滤波器的旁瓣清晰可见。SA 将使用具有最小旁瓣的 DSP,因为精确
的信号可视化比测量速度更重要。VNA 中的 DSP IF 滤波器针对最低延迟进行了优化,以降低测
量速度。VNA 中频滤波器的旁瓣不会降低 VNA 测量精度,但其结果在视觉上不如 SA 测量清晰。
图9显示了 VNA 中 1 kHz 中频滤波器的特写。如果在中频带宽设置为 1 kHz 的窄范围内,VNA
显示一个完全纯净的输入信号,将会是这样。
相比之下,图 10 显示了 1 kHz IF BW 和 100 kHz跨度信号的实际频谱分析仪测量结果,
与图9的测量结果类似。该器件没有旁瓣,因为DSP IF 滤波器经过优化,可以将旁瓣降至最低。
频谱分析仪和 USB 矢量网络分析仪的设计非常不同,以满足它们所进行的特定类型测量的需要。
这两种仪器不能互换。
我可以用 VNA 作为信号发生器吗?
是的,您可以将扫描范围设置为“零跨度” ,并将频率设置为所需的值,VNA 将输出恒定
频率的音调。然而,有一些警告。CMT 的紧凑型系列使用小数 N 分频锁相环来产生高分
辨率的信号。因此,输出频率可能会偏离零点几赫兹。因此,如果 VNA 被用作频率源,
另一个信号发生器被用于产生相同的频率,并且两个仪器在后面板上被提供相同的10MHz
时基参考,VNA信号可能没有被频率锁定到发生器。然而,这将是一个不寻常的要求。
VNA 通常不需要精确地命中频率。唯一重要的是,测得的内部 IF频率在FPGA中实现
的 DSP 滤波器的 IF 带宽范围内。这钴系列 VNAs无论是 9GHz还是 2 GHz,
都使用直接数字频率合成(DDS)来产生精细的频率步进,因此在这种情况下,
输出频率将是精确的。
vna 为什么这么贵?
USB 矢量网络分析仪需要可编程微波源,并使用相当高速的 14 位 ADC 对中频
进行数字 化处理,使用 FPGA 实现 DSP 要求,将中频数字混频至零,并使用数字
FIR 滤波器对中 频带宽进行滤波。这三种组件类型并不便宜。将源提升到足够高的水平
以用作本地振荡器 (LO)和激励源所需的宽带微波放大器增加了成本。如果最大激励
电平输出需要为+10 或+15 dBm,则放大器的实际输出可能需要比这高 3 或 4 dB,
以考虑通过测量电桥的损耗。具有这种非饱和输出功率的宽带9或20GHz放大器价格昂贵。
正是像这样的宽带高频元件加上 FPGA 的组合,极大地增加了 VNA 的商品成本。
然而,如果 VNA 采用集成微波 VCO/PLL 源开发,而不是采用独立 VCO 和
直接数字频 率合成器(DDS)实现小频率步进的多环路锁相系统,则可以较低的成本
实现。CMT 的 经济型紧凑型车就是这样设计的。Cobalt 型号使用更复杂的信号合
成方法,因此可实现更高的动态范围。
为什么 USB VNAs 更实惠
通过消除嵌入式操作系统,铜山科技能够提供低成本的 USB 矢量网络分析仪。原始
测量 数据通过 USB 总线发送到任何运行我们专有软件的 Windows 或 Linux
计算机上进行处 理、显示和分析。使用最先进的集成射频源从头开始设计 VNA 可以
节省更多成本。我们的虚拟网络适配器是专门构建的,而不是由昂贵的旧测试设备拼凑而成。
较低的矢量网络分析仪价格反映了这些技术进步。随着 VNA 成为笔记本电脑的复杂
测量扩展,这是一个自然的演变。实验室工作台上不再需要微波炉大小的 VNA。
Copper Mountain Technologies 的 USB 矢量网络分析仪以出色的计量性能进行
精确测量。印第安纳州印第安纳波利斯的 ISO-17025 实验室在塞浦路斯帕福斯,
通过50GHz 认证,我们可以提供校准证书,其不确定度可追溯至 NIST。CMT以较低
的拥有成本生产出具有卓越准确性和稳定性的虚拟网络适配器。
你如何决定哪一个是最好的矢量网络分析仪?
首先,VNA 的好坏取决于用于校准它的校准套件。廉价的校准套件会大大降低测量的准
确性。强烈推荐使用 CMT 的自动校准模块(ACM)来实现最高水平的测量精度。
执行用户校准后,VNA 必须保持稳定。通常情况下,只要实验室的温度保持合理的恒定,
来自 CMT 的紧凑型模型在 24 小时内将漂移约 0.05 dB。
VNA 动态范围定义为 10 Hz 带宽内的最大输出功率减去接收机本底噪声。要测量滤
波器的插入损耗,同时在屏幕上看到深阻带,需要高动态范围。这是一个重要的规范。的
动态范围SC5090紧凑型VNA如图11所示,在较大频率范围内为138至140dB。

图 11–sc 5090 动态范围规格
原始源和负载匹配很重要,但不是关键。它们的影响大多被抵消了。
剩余反射跟踪和透射跟踪将在很大范围内确定 VNA 精度。这两个残余误差以及残余方向
性误差是所用校准套件的函数。CMT 数据表中给出的数字基于 ACM 校准。

图 12–基于 ACM 校准的剩余参数
测量速度通常是一个重要的指标。如果需要实时观察调谐或电路变化的结果,使用慢速VNA
是令人沮丧的。SC5090 的测量速度如图 13 所示。请注意,全双端口校准的测量速度
是两倍。这是因为必须测量所有四个 S 参数以产生用于 2 端口校准的任何一个参数的校
准测量,并且 VNA 必须在两个方向上渗透;端口 1 到 2 ,然后端口 2 到 1。

图 13–sc 5090 测量速度
如果需要时域分析、时域选通、嵌入、去嵌入等分析功能,请确保它们在 VNA 上可用。
所有 CMT USB 矢量网络分析仪都附带这些功能,无需额外付费*。
*m 系列虚拟网络适配器不包括高级功能。